1、一次性规划, 不做分厂考虑。2、环保需要先确认位置。3、是不是搬出深圳?等于像很多公司一样, 深圳留下开票而已,然后在便宜的地方看位置。 中山和东莞、惠州的选择? 4、深圳的话,面积一层楼全部, 楼上不管,楼高需要6米, 东莞能形成工业园吗? 中山、惠州可以包一个小院。 但是我们的规模还是很小, 这样有问题。5
2019-09-02
深圳广发体育网页外贸 - 深圳到德国和深圳到新西兰的距离分析
2019-08-27
http://www.dtcms.net &
2019-08-22
广发体育网页-团体参加深圳国际马拉松比赛
百度推广-深模塑胶广发体育网页有限公司圆满划上句号
2019-08-21
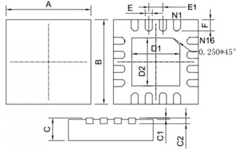
ASC0208是一颗USB音频DAC解码芯片
2019-08-09
塑胶广发体育网页中, 壁厚与产品表面的关系
2019-08-03
广发体育网页行业,产品CMF(Color,Material& Finishing)
2019-08-02
2022-11-29 Vlog 日志, 后天12月到了
注塑厂,可以做LDS的产品,看过来
关于钢材的问题--深圳市广发体育网页厂钢材的来源
第一周, 总体概述, Hadoop , 想到鸿蒙的未来,还想大干一场