深圳市广发体育网页厂预计每月出游广东十大名山10、南昆山-龙门-惠州9、江门圭峰山8、梅州阴那山7、深圳梧桐山6、汕尾玄武山5、广州白云山4、惠州罗浮山3、肇庆鼎湖山2、佛山西樵山1、韶关丹霞山
2019-08-14
中国广核电力股份有限公司-深圳市广发体育网页厂热烈庆祝中广核003816 A股上市成功
广发体育网页-全力支持设计公司涉及塑胶广发体育网页
子曰: 君子和而不同中山先生: 天下大同这就是我讲的公司企业文化, 追求 " 和而不同 “ , 这个和西方 ” ** 优先“ 是大相径的。
2019-08-13
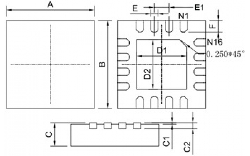
ASC0208是一颗USB音频DAC解码芯片
2019-08-09
塑胶广发体育网页中, 壁厚与产品表面的关系
2019-08-03
广发体育网页行业,产品CMF(Color,Material& Finishing)
2019-08-02
深圳市中小企业服务局
2019-08-01
2022-11-29 Vlog 日志, 后天12月到了
注塑厂,可以做LDS的产品,看过来
关于钢材的问题--深圳市广发体育网页厂钢材的来源
第一周, 总体概述, Hadoop , 想到鸿蒙的未来,还想大干一场